Өнеркәсіптік шкаф есігінің құлпытарату шкафының, байланыс шкафының, басқару қорапшасының және басқа жабдықтың негізгі қорғаныс құрамдас бөлігі болып табылады, ол ішкі электрлік компоненттердің қауіпсіздігіне және жүйенің тұрақты жұмысына тікелей байланысты.
Жеткізу мерзімінің әртараптандырылған талаптарын және әртүрлі жобаларға арналған спецификацияларды қанағаттандыру үшін біздің компанияда әрқашан қорда жиі қолданылатын құлыптардың бес түрі бар -Ұзын жолақты құлып, Панельді құлыптау, Штангаларды басқару құлпы, Тұтқаны құлыптау,Айналмалы тіл құлпы. Сонымен қатар, біз сызбалар немесе үлгілер бойынша теңшелген кез келген стандартты емес құлыпты қолдаймыз, ол металл тарату қораптарының барлық түрлеріне өте қолайлы.
Ұшақ құлпы - әдемі және күтімге оңай өнеркәсіптік шкаф есік құлыптарының ең көп таралған түрлерінің бірі. Біздің компания AB301, AB302, AB303, AB402, AB403 сериялы ұшақ құлпын іске қосты, құрылымдық беріктігі, қорғаныс өнімділігі және сараланған дизайнның жұмыс сезімі, тарату қорабының әртүрлі сипаттамаларына, басқару шкафын орнату талаптарына жауап бере алады.
| Өлшемдері | Өнім нөмірі | |||||||
| L1 | L2 | L3 | B1 | B2 | Сұр түсті хромдау | Сұр спрей бояу | Қара ұнтақпен қапталған | Салмағы(г) |
| 147 | 117 | 72 | 33 | 26.5 | AB301-1-1.2 | AB301-1-1.8 | AB301 | 370 |
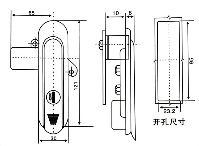
| 120.5 | 95.5 | 65 | 30 | 23.5 | AB301-2-1.2 | AB301-2-1.8 | AB302 | 290 |
| 87.5 | 62.5 | 65 | 28.5 | 23.5 | AB301-3-1.2 | AB301-3-1.8 | AB303 | 215 |
Негізгі материал: мырыш қорытпасы.
Беттік өңдеу: ашық хром, күңгірт, қара.
Функция және пайдалану: сол және оң жақ есіктің ашылуын, пайдалану оңай, тығыздау және су өткізбейтін функциясы бар.
Негізгі материал: мырыш қорытпасы.
Беттік өңдеу: ашық хром, күңгірт, қара.
Функция және пайдалану: сол және оң жақ есіктің ашылуын, пайдалану оңай, тығыздау және су өткізбейтін функциясы бар.
Материал: мырыш қорытпасынан жасалған құлып корпусы, айналмалы білік, мырышталған болат болт, қысым тақтасы.
Беттік өңдеу: күміс сұр нано спрей.
Құрылым сипаттамасы: ашу немесе құлыптау үшін 90 градусқа бұрыңыз.
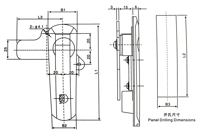
| МОДЕЛЬ | L1 | L2 | L3 | B1 | B2 | B3 |
| ЖАҢА AB402-A | 123 | 95.5 | 65 | 36.5 | 30 | 23.5 |
| ЖАҢА AB403-A | 91 | 62.5 | 65 | 33 | 28.5 | 23.5 |
| ЖАҢА AB401-A | 151 | 117 | 72 | 36 | 30 | 26.5 |
